Product Summary
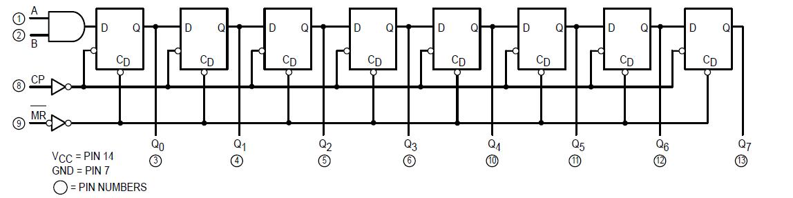
The SN54LS164j is a high speed 8-Bit Serial-In Parallel-Out Shift Register. Serial data is entered through a 2-Input AND gate synchronous with the LOW to HIGH transition of the clock. The SN54LS164j features an asynchronous Master Reset which clears the register setting all outputs LOW independent of the clock. The SN54LS164j utilizes the Schottky diode clamped process to achieve high speeds and is fully compatible with all Motorola TTL products.
Parametrics
SN54LS164j absolute maximum ratings: (1)Supply Voltage: 4.5 V to 5.5 V; (2)Operating Ambient Temperature Range: –55℃ to 125℃; (3)Output Current:–0.4 mA to 4.0 mA.
Features
SN54LS164j features: (1)Typical Shift Frequency of 35 MHz; (2)Asynchronous Master Reset; (3)Gated Serial Data Input; (4)Fully Synchronous Data Transfers; (5)Input Clamp Diodes Limit High Speed Termination Effects; (6)ESD > 3500 Volts.
Diagrams

![]() |
![]() SN54 |
![]() Apex Tool Group (Formerly Cooper Tools) |
![]() Pliers & Tweezers Xcelite 5" Cutter Side Cut Long Nose |
![]() Data Sheet |
![]()
|
|
||||||
![]() |
![]() SN54/74LS147 |
![]() Other |
![]() |
![]() Data Sheet |
![]() Negotiable |
|
||||||
![]() |
![]() SN54/74LS155 |
![]() Other |
![]() |
![]() Data Sheet |
![]() Negotiable |
|
||||||
![]() |
![]() SN54/74LS156 |
![]() Other |
![]() |
![]() Data Sheet |
![]() Negotiable |
|
||||||
![]() |
![]() SN54/74LS160A |
![]() Other |
![]() |
![]() Data Sheet |
![]() Negotiable |
|
||||||
![]() |
![]() SN54/74LS161A |
![]() Other |
![]() |
![]() Data Sheet |
![]() Negotiable |
|
||||||
(China (Mainland))









