Product Summary
The PIC18F97J60-I/PF is a 1 Mbit Flash Microcontroller with Ethernet, and it incorporates a range of serial communication peripherals, including up to two independent Enhanced USARTs and up to two Master SSP modules. In addition, the PIC18F97J60-I/PF can be reconfigured as an 8-bit Parallel Slave Port for direct processor-to-processor communications.
Parametrics
PIC18F97J60-I/PF absolute maximum ratings: (1)Ambient temperature under bias: -40℃ to +100℃; (2)Storage temperature : -65℃ to +150℃; (3)Voltage on any digital only input pin or MCLR with respect to VSS (except VDD): -0.3V to 6.0V; (4)Voltage on any combined digital and analog pin with respect to VSS: -0.3V to (VDD + 0.3V); (5)Voltage on VDDCORE with respect to VSS: -0.3V to 2.75V; (6)Voltage on VDD with respect to VSS: -0.3V to 4.0V; (7)Total power dissipation (Note 1): 1.0W; (8)Maximum current out of VSS pin: 300 mA; (9)Maximum current into VDD pin: 250 mA; (10)Input clamp current, IIK (VI < 0 or VI > VDD) (Note 2): ±0 mA; (11)Output clamp current, IOK (VO < 0 or VO > VDD) (Note 2): ±0 mA; (12)Maximum output current sunk by any PORTB and PORTC I/O pins: 25 mA; (13)Maximum output current sunk by any PORTD, PORTE and PORTJ I/O pins: 8 mA; (14)Maximum output current sunk by any PORTA, PORTF, PORTG and PORTH I/O pins (Note 3): 2 mA; (15)Maximum output current sourced by any PORTB and PORTC I/O pins: 25 mA; (16)Maximum output current sourced by any PORTD, PORTE and PORTJ I/O pins: 8 mA; (17)Maximum output current sourced by any PORTA, PORTF, PORTG and PORTH I/O pins (Note 3): 2 mA; (18)Maximum current sunk by all ports combined: 200 mA; (19)Maximum current sourced by all ports combined: 200 mA.
Features
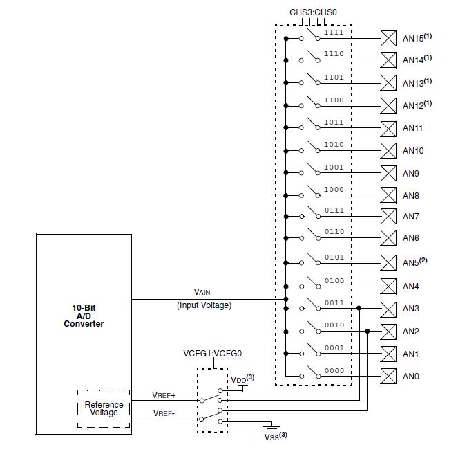
PIC18F97J60-I/PF features: (1)High-Current Sink/Source: 25 mA/25 mA on PORTB and PORTC; (2)Five Timer modules (Timer0 to Timer4); (3)Four External Interrupt pins; (4)Two Capture/Compare/PWM (CCP) modules; (5)One, two or four PWM outputs; (6)Selectable polarity; (7)Programmable dead time; (8)Auto-shutdown and auto-restart; (9)Up to Two Master Synchronous Serial Port (MSSP) modules supporting SPI (all 4 modes) and I2; (10)Master and Slave modes; (11)Supports RS-485, RS-232 and LIN 1.2; (12)Auto-wake-up on Start bit; (13)Auto-Baud Detect (ABD); (14)Auto-acquisition capability; (15)Conversion available during Sleep; (16)Dual Analog Comparators with Input Multiplexing.
Diagrams

| Image | Part No | Mfg | Description | ![]() |
Pricing (USD) |
Quantity | ||||||||||||
|---|---|---|---|---|---|---|---|---|---|---|---|---|---|---|---|---|---|---|
![]() |
![]() PIC18F97J60-I/PF |
![]() Microchip Technology |
![]() 8-bit Microcontrollers (MCU) 128KB FLASH 10BASE-T Enet |
![]() Data Sheet |
![]()
|
|
||||||||||||
![]() |
![]() PIC18F97J60-I/PFREL |
![]() Other |
![]() |
![]() Data Sheet |
![]() Negotiable |
|
||||||||||||
(China (Mainland))










