Product Summary
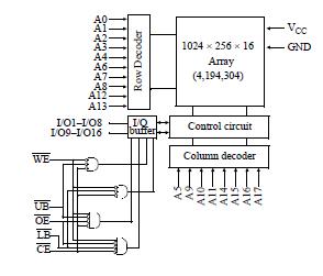
The AS7C34098A-10TIN is a high-performance CMOS 4,194,304-bit Static Random Access Memory (SRAM) device organized as 262,144 words × 16 bits. The AS7C34098A-10TIN is designed for memory applications where fast data access, low power, and simple interfacing are desired.
Parametrics
AS7C34098A-10TIN absolute maximum ratings: (1)Voltage on VCC relative to GND:–0.50 to +5.0 V; (2)Voltage on any pin relative to GND:–0.50 VCC +0.50 V; (3)Power dissipation PD: 1.5 W; (4)Storage temperature (plastic) Tstg: –65 to +150 ℃; (5)Ambient temperature with VCC applied Tbias: –55 to +125 ℃; (6)DC current into outputs (low) IOUT: ±20 mA.
Features
AS7C34098A-10TIN features: (1)Pin compatible with AS7C34098; (2)Industrial and commercial temperature; (3)Organization: 262,144 words × 16 bits; (4)Center power and ground pins; (5)High speed: 10/12/15/20 ns address access time, 4/5/6/7 ns output enable access time; (6)Low power consumption: ACTIVE:650 mW /max @ 10 ns; (7)Low power consumption: STANDBY:28.8 mW /max CMOS; (8)Individual byte read/write controls; (9)Easy memory expansion with CE, OE inputs; (10)TTL- and CMOS-compatible, three-state I/O; (11)44-pin JEDEC standard packages:400-mil SOJ, TSOP 2; (12)ESD protection:2000 volts; (13)Latch-up current:200 mA.
Diagrams

| Image | Part No | Mfg | Description | ![]() |
Pricing (USD) |
Quantity | ||||||||||
|---|---|---|---|---|---|---|---|---|---|---|---|---|---|---|---|---|
![]() |
![]() AS7C34098A-10TIN |
![]() Alliance Memory |
![]() SRAM 4M Fast 256K x 16 3.3V Asynch |
![]() Data Sheet |
![]()
|
|
||||||||||
![]() |
![]() AS7C34098A-10TINTR |
![]() Alliance Memory |
![]() SRAM 4M Fast 256K x 16 3.3V Asynch |
![]() Data Sheet |
![]()
|
|
||||||||||
(China (Mainland))









