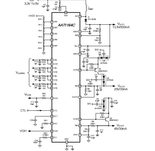
Product Summary
The AAT1164C-Q5-T is a triple-channel TFT LCD power solution that provides a step-up PWM controller, two high voltage LDO drivers (one for positive voltage and one for negative voltage) , five operational amplifiers, and one high voltage switch up to 28V for TFT LCD display. The AAT1164C-Q5-T consists of an on-chip voltage reference, oscillator, error amplifier, current sense circuit, comparator, under-voltage lockout protection and internal soft-start circuit. The AAT1164C-Q5-T contains 4+1 operational amplifiers.
Parametrics
AAT1164C-Q5-T absolute maximum ratings: (1) VDDto GND VDD: 7V; (2) VDD1 SW to GND VH1: 14.5V; (3) VOUT3 OUT3, VGH to GND VH2: 30V; (4) OUT2 to GND VH3: -14V; (5) nput Voltage 1 (IN1, IN2, IN3, DLY, CTL,) VI1: VDD +0.3V; (6) Input Voltage 2 (VI1+, VI1-, VI2+, VI2¨, VI3+, VI3-, VI4+, VI4-, VI5+, VI5-) VI2: VH1 +0.3V; (7) Output Voltage 1 (EO,VREF) : VDD +0.3V; (8) Output Voltage 2 (ADJ, VO1, VO2, VO3, VO4, VO5) VO2: VH1 +0.3V; (9) Operating Free-Air Temperature Range Tc: -40°C to +85°C; (10) Storage Temperature Range TSTORAGE: -45°C to +125°C; (11) Power Dissipation PD: 1600W.
Features
AAT1164C-Q5-T features: (1) Built in 3A, 0.2? Switching NMOS; (2) Positive LDO Driver Up to 28V/5mA; (3) Negative LDO Driver Down to -14V/5mA; (4) 1VCOM and 4GAMMA Operational Amplifiers; (5) 28V High Voltage Switch for VGH; (6) Internal Soft-Start Function; (7) 1.2MHz Fixed Switching Frequency; (8) 3 Channels Fault and Thermal Protection ; (9) Low Dissipation Current; (10) QFN-32 Package Available.
Diagrams

(China (Mainland))






