Product Summary
The TIL305 is a 5×7 Alphanumeric display.
Parametrics
TIL305 absolute maximum ratings: (1) reverse voltage at 25°C free-air temperature: 3V; (2) peak forward current, each diode: 100mA; (3) average forwarde current: 10mA, each diode: 200mA; (4) operating free-air temperature range: 0 to 70°C ; (5) storage temperature range: -25 to 85°C.
Features
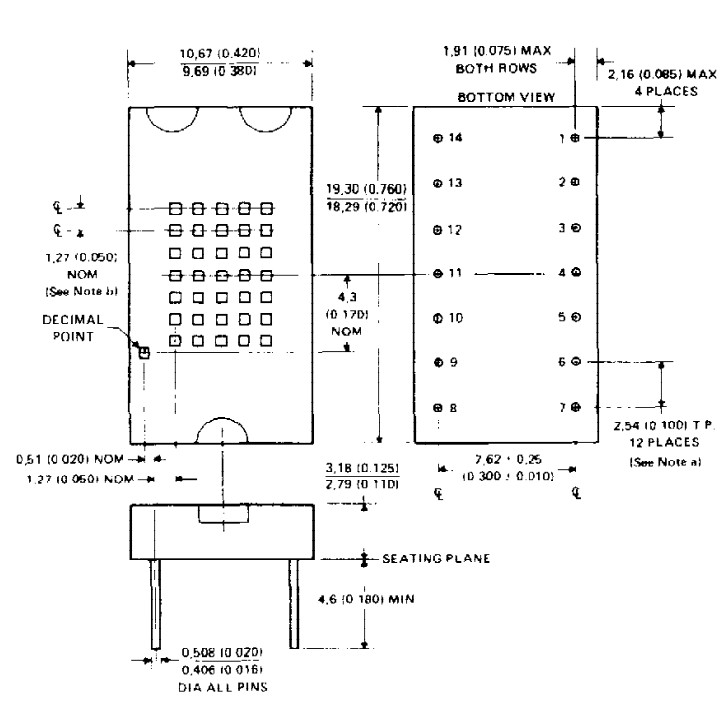
TIL305 features: (1) 7,62-mm (0.300 inch) character height; (2) high luminous intensisty; (3) low power requirements; (4) wide viewing angle; (5) 5×7 array with X-Y select and decimal; (6) compatible with USASCII and EBCIC Codes.
Diagrams

| Image | Part No | Mfg | Description | ![]() |
Pricing (USD) |
Quantity | ||||
|---|---|---|---|---|---|---|---|---|---|---|
![]() |
![]() TIL305 |
![]() Other |
![]() |
![]() Data Sheet |
![]() Negotiable |
|
||||
| Image | Part No | Mfg | Description | ![]() |
Pricing (USD) |
Quantity | ||||
![]() |
![]() TIL300 |
![]() Other |
![]() |
![]() Data Sheet |
![]() Negotiable |
|
||||
![]() |
![]() TIL3009 |
![]() Other |
![]() |
![]() Data Sheet |
![]() Negotiable |
|
||||
![]() |
![]() TIL300A |
![]() Other |
![]() |
![]() Data Sheet |
![]() Negotiable |
|
||||
![]() |
![]() TIL3010 |
![]() Other |
![]() |
![]() Data Sheet |
![]() Negotiable |
|
||||
![]() |
![]() TIL3011 |
![]() Other |
![]() |
![]() Data Sheet |
![]() Negotiable |
|
||||
![]() |
![]() TIL3012 |
![]() Other |
![]() |
![]() Data Sheet |
![]() Negotiable |
|
||||
(China (Mainland))









