Product Summary
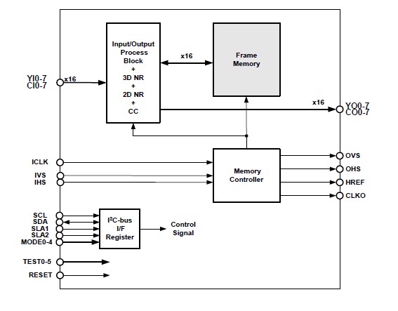
The ML87V21071 is a Video Signal Noise Reduction IC with a Built-in Frame Memory, and it comprises a frame memory and signal processing and memory control logic circuits, and achieved motion-adaptive 3D noise reduction. To perform noise reduction with afterimage suppression, the ML87V21071 also enables noise reduction using the edge-adaptive 2D noise reduction filter. Each noise reduction function allows setting an automatic mode. In automatic mode, noise of a vertical blanking period and a valid data period is detected to reduce noise according to the noise status from which the noise reduction setting value is detected. The ML87V21071 also has a cross-color cancellation function that uses the motion-adaptive 3D comb filter method that removes cross colors occurring at two-dimensional YC separation in the NTSC/PAL system. Since the same format as the input can be selected for output, noise reduction can easily be achieved by inserting the IC into the conventional system.
Parametrics
ML87V21071 absolute maximum ratings: (1)Power supply voltage: –0.5 V to +4.6 V; (2)Input pin voltage: –0.5 V to VDD + 0.5 V ≤ 4.6 V; (3)Output pin short-circuit current: 50 mA; (4)Power dissipation: 1 W; (5)Operating temperature: 0 ℃ to 70℃; (6)Storage temperature: –50℃ to +150℃.
Features
ML87V21071 features:(1)Serial bus: I2C-bus interface: (400 kHz, 100 kHz); (2)Memory controller: Compatible with 625/50Hz 2:1(625i),525/60Hz 2:1(525i), 625/50Hz 1:1(625p), and 525/60Hz 1:1(525p); (3)Motion-adaptive 3D noise reduction: Frame-field-line-correlation noise detection and noise subtraction method; (4)Supports automatic noise reduction setting; (5)Edge-adaptive 2D noise reduction: space filter used; (6)Chrominance signal cross color cancelling: Motion-adaptive 3D comb filter used; (7)Compatible with 525i (NTSC decode signal)/625i (PAL decode signal); (8)Package: 100-pin TQFP (TQFP100-P-1414-0.50-K) (ML87V21071TB).
Diagrams

| Image | Part No | Mfg | Description | ![]() |
Pricing (USD) |
Quantity | ||||
|---|---|---|---|---|---|---|---|---|---|---|
![]() |
![]() ML87V21071TBZ03A-7 |
![]() Oki Semiconductor |
![]() Video ICs Noice Reduction FIFO w/cross color cancel |
![]() Data Sheet |
![]() Negotiable |
|
||||
| Image | Part No | Mfg | Description | ![]() |
Pricing (USD) |
Quantity | ||||
![]() |
![]() ML87V2103 |
![]() Other |
![]() |
![]() Data Sheet |
![]() Negotiable |
|
||||
![]() |
![]() ML87V21071TBZ03A-7 |
![]() Oki Semiconductor |
![]() Video ICs Noice Reduction FIFO w/cross color cancel |
![]() Data Sheet |
![]() Negotiable |
|
||||
![]() |
![]() ML87V2107TBZ03A-7 |
![]() Oki Semiconductor |
![]() Video ICs Noice Reduction FIFO w/frame synchronizer |
![]() Data Sheet |
![]() Negotiable |
|
||||
![]() |
![]() ML87V3104 |
![]() Other |
![]() |
![]() Data Sheet |
![]() Negotiable |
|
||||
![]() |
![]() ML87V2105 |
![]() Other |
![]() |
![]() Data Sheet |
![]() Negotiable |
|
||||
![]() |
![]() ML87V2104 |
![]() Other |
![]() |
![]() Data Sheet |
![]() Negotiable |
|
||||
(China (Mainland))









