Product Summary
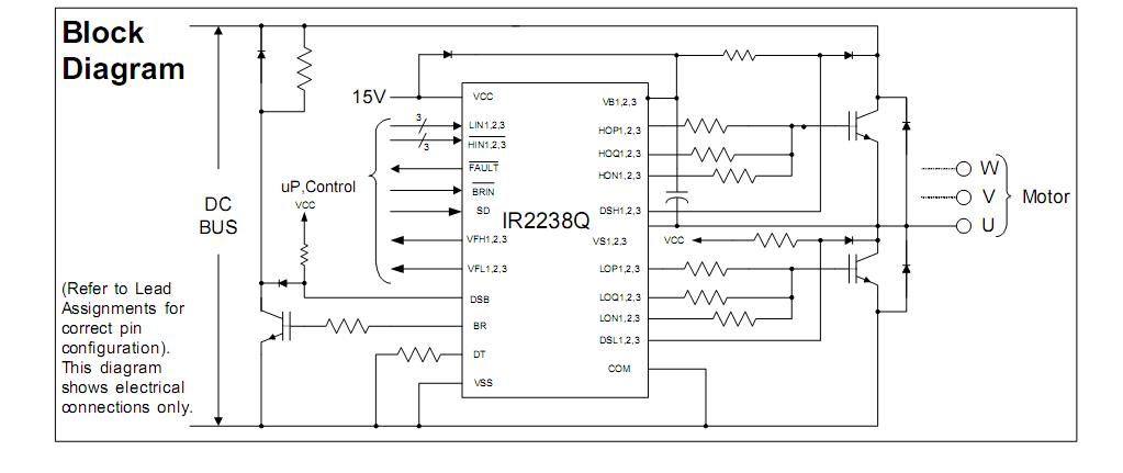
The IR2238Q is a high voltage, 3-phase IGBT driver best suited for AC motor drive applications. Integrated desaturation logic of the IR2238Q provides all mode of overcurrent protection, including ground fault protection. The DT pin of the IR2238Q allows external resistor to program the deadtime. Output drivers of the IR2238Q have separate turn on/off pins with two stage turn-on output to achieve the desired di/dt switching level of IGBT.
Parametrics
IR2238Q absolute maximum ratings: (1) High side offset voltage VS: VB1, 2, 3, -25V, VB1, 2, 3, +0.3V; (2) High side floating supply voltage VB: 0.3V to 1225V; (3) High side floating output voltage (HOP, HON, HOQ) VHO: VS 1, 2, 3, -0.3V to VB1, 2, 3, +0.3V; (4) Low side and logic fixed supply voltage VCC: -0.3V to 25V; (5) Logic ground VSS: VCC -25V to Vcc +0.3V; (6) Low side output voltage (LOP, LON, LOQ) VLO: -0.3V to VCC +0.3V; (7) Logic input voltage (8) HIN/N,LIN, BRIN/N, SD) VSS -0.3V, VCC +0.3V or VSS +15V which ever is lower; (9) FAULT output voltage VFLT: VSS -0.3V to VCC +0.3V; (10) Feedback output voltage VF: VSS -0.3V to VCC +0.3V; (11) High side desat/feedback input voltage VDSH: VS 1, 2, 3, -0.3V to VB 1, 2, 3, +0.3V; (12) Low side desat/feedback input voltage VDSL: -0.3V to VCC +0.3V; (14) Brake output voltage VBR: -0.3V to VCC +0.3V; (15) Allowable offset voltage slew rate dVs/dt: 50V/ns; (16) Package power dissipation@TA≤25°C: 2.0W; (17) Thermal resistance, junction to ambient RthJA: 60°C/W; (18) Junction temperature Tj: 125°C; (19) Storage temperature Ts: -55 to 150°C; (20) Lead temperature (soldering, 10 seconds) TL: 300°C.
Features
IR2238Q features: (1) Floating channel up to +1200V; (2) soft over-current shutdown turns off out; (3) Integrated desaturation circuit; (4) Two stage turn on output for di/dt control; (5) Integrated brake IGBT driver with protection; (6) Voltage feedback sensing function; (7) Separate pull-up/pull-down output drive pins; (8) Matched delay outputs; (9) Under voltage lockout with hysteresis band; (10) Programmable deadtime; (11) Hard shutdown function.
Diagrams
al
| Image | Part No | Mfg | Description | ![]() |
Pricing (USD) |
Quantity | ||||||
|---|---|---|---|---|---|---|---|---|---|---|---|---|
![]() |
![]() IR2238QPBF |
![]() International Rectifier |
![]() Power Driver ICs HiVolt 3Phs Drvr IGBT AC Mtr Drv Apps |
![]() Data Sheet |
![]()
|
|
||||||
![]() |
![]() IR2238Q |
![]() |
![]() IC CTRLR AC MOTOR 3PH HV 64MQFP |
![]() Data Sheet |
![]()
|
|
||||||
(China (Mainland))










