Product Summary
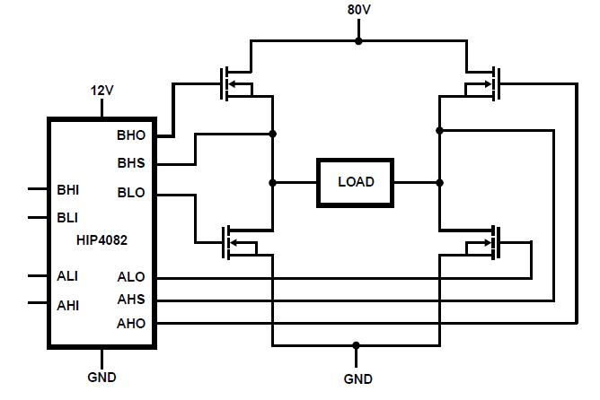
The HIP4082IP is a Peak Current H-Bridge FET Driver. It is a medium frequency, medium voltage H-Bridge N-Channel MOSFET driver IC, available in 16 lead plastic SOIC(N) and DIP packages. Specifically targeted for PWM motor control and UPS applications, bridge based designs are made simple and flexible with the HIP4082IP H-bridge driver. With operation up to 80V, the HIP4082IP is best suited to applications of moderate power levels.
Parametrics
HIP4082IP absolute maximum ratings: (1)Supply Voltage, VDD: -0.3V to 16V; (2)Logic I/O Voltages: -0.3V to VDD +0.3V; (3)Voltage on AHS, BHS: -6V (Transient) to 80V (25℃ to 150℃); (4)Voltage on AHS, BHS: -6V (Transient) to 70V (-55℃ to150℃); (5)Voltage on AHB, BHB: VAHS, BHS -0.3V to VAHS, BHS +VDD; (6)Voltage on ALO, BLO: VSS -0.3V to VDD +0.3V; (7)Voltage on AHO, BHO: VAHS, BHS -0.3V to VAHB, BHB +0.3V Input; (8)Current, DEL: -5mA to 0mA; (9)Phase Slew Rate: 20V/ns.
Features
HIP4082IP features: (1)Independently Drives 4 N-Channel FET in Half Bridge or Full Bridge Configurations; (2)Bootstrap Supply Max Voltage to 95VDC; (3)Drives 1000pF Load in Free Air at 50℃ with Rise and Fall Times of Typically 15ns; (4)User-Programmable Dead Time (0.1 to 4.5ms); (5)DIS (Disable) Overrides Input Control and Refreshes Bootstrap Capacitor when Pulled Low; (6)Input Logic Thresholds Compatible with 5V to 15V Logic Levels; (7)Shoot-Through Protection; (8)Undervoltage Protection.
Diagrams

| Image | Part No | Mfg | Description | ![]() |
Pricing (USD) |
Quantity | ||||||||||||
|---|---|---|---|---|---|---|---|---|---|---|---|---|---|---|---|---|---|---|
![]() |
![]() HIP4082IP |
![]() Intersil |
![]() Power Driver ICs 80V H BRDG FET DRVR |
![]() Data Sheet |
![]()
|
|
||||||||||||
![]() |
![]() HIP4082IPZ |
![]() Intersil |
![]() Power Driver ICs 80V H BRDG FET DRVR |
![]() Data Sheet |
![]()
|
|
||||||||||||
(China (Mainland))









