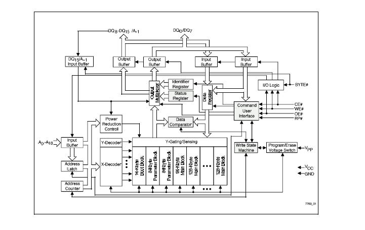
Product Summary
The E28F800B5B70 is a smart 5 boot block flash memory. It provides pinout-compatible flash memories at the 2-, 4-, and 8-Mbit densities. The E28F800B5B70 can be configured to operate either in 16-bit or 8-bit bus mode, with the data divided into individually erasable blocks. The E28F800B5B70 provides 8-bit operation in a compact package.
Parametrics
E28F800B5B70 absolute maximum ratings: (1)Commercial Operating Temperature During Read/Erase/Program: 0℃ to +70℃; (2)Commercial Operating Temperature Under Bias: –10℃ to +80℃; (3)Extended Operating Temperature During Read/Erase/Program: –40℃ to +85℃; (4)Extended Operating Temperature Under Bias: –40℃ to +85℃; (5)Storage Temperature: –65℃ to +125℃; (6)Voltage on Any Pin with Respect to GND: –2.0 V to +7.0 V; (7)VPP Program Voltage with Respect to GND during Block Erase and Word/Byte Program: –2.0 V to +14.0 V; (8)VCC Supply Voltage with Respect to GND: –2.0 V to +7.0 V; (9)Output Short Circuit Current: 100 mA.
Features
E28F800B5B70 features: (1)Very High-Performance Read; (2)x8 or x8/x16-Configurable Data Bus; (3)Low Power Consumption; (4)Optimized Array Blocking Architecture; (5)Extended Temperature Operation; (6)Industry-Standard Packaging.
Diagrams

![]() E28F008S5120 |
![]() |
![]() IC FLASH 8MBIT 120NS 40TSOP |
![]() Data Sheet |
![]() Negotiable |
|
|||||
![]() |
![]() E28F320J3A110SL5FS |
![]() |
![]() IC FLASH 32MBIT 110NS 56TSOP |
![]() Data Sheet |
![]() Negotiable |
|
||||
(China (Mainland))








