Product Summary
The DS75176BN is a high speed differential TRI-STATE bus/line transceiver designed to meet the requirements of EIA standard RS485 with extended common mode range(+12V to -7V), for multipoint data transmission. In addition, the DS75176BN is compatible with RS-422. The driver and receiver outputs feature TRI-STATE capability, for the driver outputs over the entire common mode range of +12V to -7V. Bus contention or fault situations that cause excessive power dissipation within the device are handled by a thermal shutdown circuit, which forces the driver outputs into the high impedance state.
Parametrics
DS75176BN absolute maximum ratings: (1)Supply Voltage, VCC: 7V; (2)Control Input Voltages: 7V; (3)Driver Input Voltage: 7V; (4)Driver Output Voltages: +15V/-10V; (5)Receiver Input Voltages (DS75176B): +15V/-10V; (6)Receiver Output Voltage: 5.5V; (7)Continuous Power Dissipation @ 25℃ for M Package: 675 mW; for N Package: 900 mW; (8)Storage Temperature Range: -65℃ to +150℃; (9)Lead Temperature(Soldering, 4 seconds): 260℃; (10)ESD Rating (HBM): 500V.
Features
DS75176BN features: (1)Meets EIA standard RS485 for multipoint bus transmission and is compatible with RS-422; (2)Small Outline (SO) Package option available for minimum board space.; (3)22 ns driver propagation delays; (4)Single +5V supply; (5)-7V to +12V bus common mode range permits ±7V ground difference between devices on the bus; (6)Thermal shutdown protection; (7)High impedance to bus with driver in TRI-STATE or with power off, over the entire common mode range allows the unused devices on the bus to be powered down; (8)Pin out compatible with DS3695/A and SN75176A/B; (9)Combined impedance of a driver output and receiver input is less than one RS485 unit load, allowing up to 32 transceivers on the bus; (10)70 mV typical receiver hysteresis.
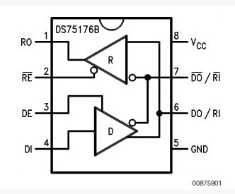
Diagrams

| Image | Part No | Mfg | Description | ![]() |
Pricing (USD) |
Quantity | ||||||||||||
|---|---|---|---|---|---|---|---|---|---|---|---|---|---|---|---|---|---|---|
![]() |
![]() DS75176BN |
![]() National Semiconductor (TI) |
![]() RS-422/RS-485 Interface IC |
![]() Data Sheet |
![]()
|
|
||||||||||||
![]() |
![]() DS75176BN/NOPB |
![]() National Semiconductor (TI) |
![]() RS-422/RS-485 Interface IC MULTIPOINT RS-485/ RS-422 XCVR |
![]() Data Sheet |
![]()
|
|
||||||||||||
(China (Mainland))










