Product Summary
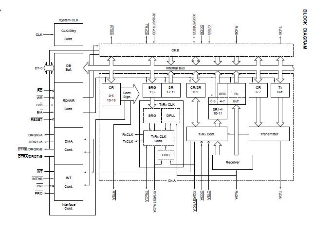
The D72001GC-11 is an MPSC (Multi-Protocol Serial Controller) which is a general-purpose communication LSI equipped with two sets of bidirectional parallel/serial converter circuits for data communication. The D72001GC-11 has a transmitter function to convert the parallel data output by a data terminal into serial data and transmit this data to a data transmission system such as a modem, and a receiver function to convert the serial data output by the data transmission system into parallel data. The D72001GC-11 can be used with data communications equipment with a variety of communication modes such as the generally and widely used start-stop synchronization mode, and the HDLC mode which is used for high-speed communication.
Parametrics
D72001GC-11 absolute maximum ratings: (1)Supply voltage VDD: –0.5 to +7.0 V; (2)Input voltage VI: –0.5 to VDD + 0.5 V; (3)Output voltage VO: –0.5 to VDD + 0.5 V; (4)Operating temperature TA: –40 to +85 ℃; (5)Storage temperature Tstg: –65 to +150 ℃.
Features
D72001GC-11 features: (1)Two sets of parallel/serial circuits supporting three modes: start-stop synchronization, character synchronization, and bit synchronization modes; (2)Easy application to a system supporting two or more communication protocols such as a protocol converter or ISDN terminal adapter; (3)DPLL (Digital Phase Locked Loop), baud rate generator, and crystal oscillation circuit for transmission/reception clock; (4)Helps reduce cost by decreasing the number of external circuits; (5)Many variations with power-saving features and small package size; (6)Easy application to portable terminals and high-accuracy portable terminals.
Diagrams

(China (Mainland))






