Product Summary
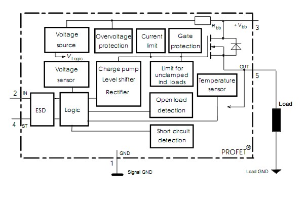
The BTS432E2 is a smart highside power switch. Applications of the BTS432E2 include: μC compatible power switch with diagnostic feedback for 12V and 24 V DC grounded loads , All types of resistive, inductive and capacitve loads and Replaces electromechanical relays and discrete circuits.
Parametrics
BTS432E2 maximum ratings: (1) Supply voltage (overvoltage protection see page 3) Vbb: 63V; (2) Load dump protection VLoaddunp=UA+Vs, UA=13.5V, RI=2Ω, RL=1.1Ω, td=200ms, IN=low or high, Vs: 66.5V; (3) Load current (Short-circuit current, see page 4) IL: self-limited; (4) Operating temperature range Tj: -40 to +150°C; (5) Storage temperature range Tstg: -55 to +150°C; (6) Power dissipation (DC) Ptot: 125W; (7) Inductive load switch-off energy dissipation, single pulse, Tj=150°C, EAS: 1.7J; (8) Electrostatic discharge capability (ESD) (Human Body Model) VESD: 2.0kV; (9) Input voltage (DC) VIN: -0.5 to +6V; (10) Current through input pin (DC) IIN: ±5mA; (11) Current through status pin (DC) : ±5.0mA; (12) Thermal resistance chip - case, Rthjc≤1K/W, junction - ambient (free air) : RthJA≤75K/W.
Features
BTS432E2 features: (1) Load dump and reverse battery protection; (2) Clamp of negative voltage at output; (3) Short-circuit protection; (4) Current limitation; (5) Thermal shutdown; (6) Open load detection in ON-state; (7) CMOS compatible input; (8) Electrostatic discharge (ESD) protection; (9) loss of ground and loss of Vbb
protection; (10) Overvoltage protection; (11) Undervoltage and overvoltage shutdown with auto-restart and hysteresis; (12) Diagnostic feedback.
Diagrams

| Image | Part No | Mfg | Description | ![]() |
Pricing (USD) |
Quantity | ||||||||||||
|---|---|---|---|---|---|---|---|---|---|---|---|---|---|---|---|---|---|---|
![]() BTS432E2 |
![]() Infineon Technologies |
![]() Power Switch ICs - Power Distribution |
![]() Data Sheet |
![]() Negotiable |
|
|||||||||||||
![]() |
![]() BTS432E2 E3043 |
![]() Infineon Technologies |
![]() Power Switch ICs - Power Distribution Smart Highside Power Switch 42V 24A |
![]() Data Sheet |
![]() Negotiable |
|
||||||||||||
![]() |
![]() BTS432E2E3062AXT |
![]() Infineon Technologies |
![]() Power Switch ICs - Power Distribution PROFET SMART HI SIDE POWER SWITCH 63V |
![]() Data Sheet |
![]()
|
|
||||||||||||
![]() |
![]() BTS432E2XK |
![]() Infineon Technologies |
![]() Power Switch ICs - Power Distribution PROFET SMART HI SIDE POWER SWITCH 63V |
![]() Data Sheet |
![]()
|
|
||||||||||||
![]() |
![]() BTS432E2 E3062A |
![]() Infineon Technologies |
![]() Power Switch ICs - Power Distribution Smart High Side Profet |
![]() Data Sheet |
![]() Negotiable |
|
||||||||||||
![]() BTS432E2E3043 |
![]() |
![]() IC SWITCH PWR HISIDE TO-220AB-5 |
![]() Data Sheet |
![]() Negotiable |
|
|||||||||||||
(China (Mainland))










