Product Summary
The 2SC2291 is a Toshiba transistor silicon NPN epitaxial planar. Appliction of the 2SC2291 includes 2-3oMHz SSB linear pwer amplifier.
Parametrics
2SC2291 absolute maximum ratings: (1) colletor-base voltage: 45V; (2) colletor-emitter voltage: 45V; (3) collector voltage: 18V; (4) emitter-base voltage: 4V; (5) collector current: 20A; (6) collector power dissipation: 175W; (7) junction temperature: 175°C; (8) storage temperature range: -65 to 175°C.
Features
2SC2291 features: (1) output power: Po=60WPEP (Min.) ; (2) Power Gain: GP=11/8dB (Min.) ; (3) Collector effiency: nC=35% (Min.) ; (4) intermodulation distortion: IMD=-30dB( Max.) .
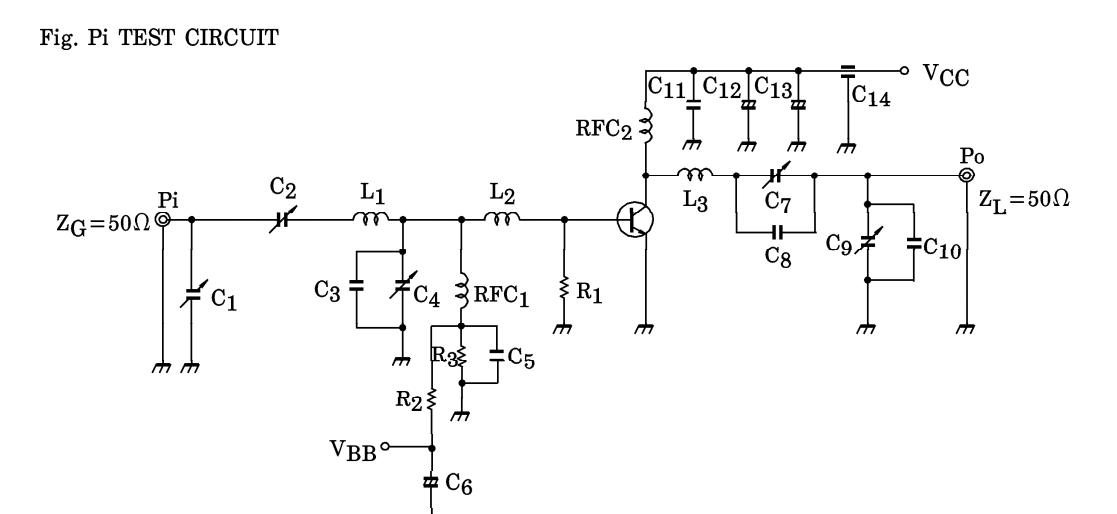
Diagrams

(China (Mainland))






