Product Summary
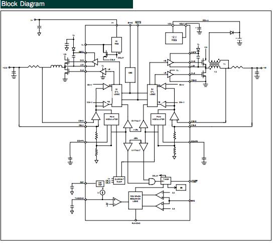
The SC1404ISS is a multiple-output power supply controller designed to power battery operated systems. The SC1404ISS provides synchronous rectified buck converter control for two power supplies. An efficiency of 95% can be achieved. The SC1404ISS uses Semtech’s proprietary Virtual Current SenseTM technology along with external error amplifier compensation to achieve enhanced stability and DC accuracy over a wide range of output filter components while maintaining fixed frequency operation. The SC1404ISS also provides two linear regulators for system housekeeping. The 5V linear regulator takes its input from the battery; for efficiency, the output is switched to the 5V output when available. The 12V linear regulator output is generated from a coupled inductor off the 5V switching regulator. The applications of the SC1404ISS include Notebook and Subnotebook Computers, Automotive Electronics and Desktop DC-DC Converters.
Parametrics
SC1404ISS absolute maximum ratings: (1)VDD, V+, PHASE3, PHASE5 to GND, supply and phase voltage: -0.3 to 30V; (2)PHASE3, PHASE5 to GND, phase voltges: -2.0V; (3)BST3, BST5, DH3, DH5 to GND, boost votlages: -0.3 to 36V; (4)PGND to GND, power ground to signal ground: ±0.3V; (5)VL to GND, logic supply: -0.3 to 6V; (6)BST3 to PHASE3, BST5 to PHASE5, high-side gate drive supply: -0.3 to 6V; (7)DH3 to PHASE3, DH5 to PHASE5, high-side gate drive outputs: -0.3 to (+BSTx+0.3)V.
Features
SC1404ISS features: (1)6 to 30V input range (operation possible below 6V); (2)3.3V and 5V dual synchronous outputs; (3)Fixed-frequency or PSAVE for maximum efficiency over wide load current range; (4)5V/50mA linear regulator; (5)12V/200mA linear regulator; (6)Virtual Current Sense for enhanced stability; (7)Accurate low-loss current limiting; (8)Out-of-phase switching reduces input capacitance; (9)External compensation supports wide range of output filter components for reduced cost; (10)Programmable power-up sequence; (11)Power Good output; (12)Output overvoltage & overcurrent protection with output undervoltage shutdown; (13)4μA typical shutdown current; (14)6mW typical quiescent power.
Diagrams

![]() |
![]() SC1401 |
![]() Other |
![]() |
![]() Data Sheet |
![]() Negotiable |
|
||||||||||||
![]() |
![]() SC1402 |
![]() Other |
![]() |
![]() Data Sheet |
![]() Negotiable |
|
||||||||||||
![]() |
![]() SC1405B |
![]() Other |
![]() |
![]() Data Sheet |
![]() Negotiable |
|
||||||||||||
![]() |
![]() SC1405DITSTRT |
![]() |
![]() IC DRIVER MOSF SYNC DUAL TSSOP14 |
![]() Data Sheet |
![]()
|
|
||||||||||||
![]() |
![]() SC1453ISK18TRT |
![]() |
![]() IC REG LDO 1.8V .15A SOT-23-5 |
![]() Data Sheet |
![]()
|
|
||||||||||||
![]() |
![]() SC1453ISK2.5TRT |
![]() |
![]() IC REG LDO 2.5V .15A SOT-23-5 |
![]() Data Sheet |
![]()
|
|
||||||||||||
(China (Mainland))










