Product Summary
The IRG4PH40UD is an insulated gate bipolar transistor with ultrafast soft recovery diode.
Parametrics
IRG4PH40UD absolute maximum ratings: (1)VCES Collector-to-Emitter Breakdown Voltage: 1200 V; (2)IC @ TC = 25℃ Continuous Collector Current: 41 A; (3)IC @ TC = 100℃ Continuous Collector Current: 21 A; (4)ICM Pulsed Collector Current: 82 A; (5)ILM Clamped Inductive Load Current: 82 A; (6)IF @ TC = 100℃ Diode Continuous Forward Current: 8.0 A; (7)IFM Diode Maximum Forward Current: 130 A; (8)VGE Gate-to-Emitter Voltage: ± 20 V; (9)PD @ TC = 25℃ Maximum Power Dissipation: 160 W; (10)PD @ TC = 100℃ Maximum Power Dissipation: 65 W; (11)Operating Junction and Storage Temperature Range: -55℃ to + 150℃; (12)Soldering Temperature, for 10 seconds: 300 (0.063 in. (1.6mm) from case ).
Features
IRG4PH40UD features: (1)UltraFast: Optimized for high operating frequencies up to 40 kHz in hard switching, >200 kHz in resonant mode; (2)New IGBT design provides tighter parameter distribution and higher efficiency than previous generations; (3)IGBT co-packaged with HEXFRED ultrafast, ultra-soft-recovery anti-parallel diodes for use in bridge configurations; (4)Industry standard TO-247AC package.
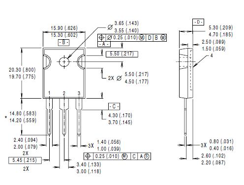
Diagrams

| Image | Part No | Mfg | Description | ![]() |
Pricing (USD) |
Quantity | ||||||||||||
|---|---|---|---|---|---|---|---|---|---|---|---|---|---|---|---|---|---|---|
![]() |
![]() IRG4PH40UD |
![]() International Rectifier |
![]() IGBT W/DIODE 1200V 30A TO-247AC |
![]() Data Sheet |
![]()
|
|
||||||||||||
![]() |
![]() IRG4PH40UD2-EP |
![]() International Rectifier |
![]() IGBT Transistors 1200V UltraFast 5-40kHz |
![]() Data Sheet |
![]()
|
|
||||||||||||
![]() |
![]() IRG4PH40UD-EPBF |
![]() International Rectifier |
![]() IGBT Transistors 1200V UltraFast 5-40kHz |
![]() Data Sheet |
![]()
|
|
||||||||||||
![]() |
![]() IRG4PH40UDPBF |
![]() International Rectifier |
![]() IGBT Transistors 1200V UltraFast 5-40kHz |
![]() Data Sheet |
![]()
|
|
||||||||||||
(China (Mainland))










