Product Summary
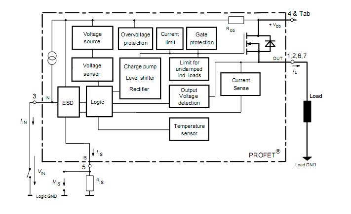
The BTS660P is a smart highside high current power switch. Applications of the BTS660P include: power switch with current sense diagnostic feedback for up to 48V DC grounded loads, Most suitable for loads with high inrush current like lamps and motors; all types of resistive and inductive loads and Replaces electromechanical relays, fuses and discrete circuits.
Parametrics
BTS660P absolute maximum ratings: (1) (1) Supply voltage Vbb: 62V; (2) Supply voltage for full short circuit protection, (EAS limitation see diagram on page 10) , Tj, start=-40°C to 150°C, Vbb: 58V; (3) Load current: self-limited; (4) Load dump protection Vloaddump=UA+Vs, UA=13.5V, RI=2Ω, RL=0.23Ω, td=200mS, IN, IS=opem or grounded. Voload dump: 80V; (5) Operating temperature range, Tj: -40 to 150°C; (6) Storage temperature range Tstg: -55 to +150°C; (7) Current through input pin (DC) : +15mA, -250mA; (8) Current through current sense status pin (DC): +15mA, -250mA.
Features
BTS660P features: (1) Overload protection; (2) Current limitation; (3) Short circuit protection; (4) Over temperature protection; (5) Over voltage protection (including load dump) ; (6) Low ohmic inverse current operation; (7) Diagnostic feedback with load current sense; (8) Open load detection via current sense; (9) Loss of Vbb protection; (10) Electrostatic discharge (ESD) protection.
Diagrams

| Image | Part No | Mfg | Description | ![]() |
Pricing (USD) |
Quantity | ||||||||||
|---|---|---|---|---|---|---|---|---|---|---|---|---|---|---|---|---|
![]() BTS660P |
![]() |
![]() SWITCH HGH SIDE CURRNT TO220-7-3 |
![]() Data Sheet |
![]() Negotiable |
|
|||||||||||
![]() |
![]() BTS660P E3180A |
![]() |
![]() IC SWITCH PWR HISIDE TO220-7 SMD |
![]() Data Sheet |
![]()
|
|
||||||||||
![]() |
![]() BTS660PE3180A |
![]() Infineon Technologies |
![]() Power Switch ICs - POE / LAN Smart High Side High Current PROFET |
![]() Data Sheet |
![]() Negotiable |
|
||||||||||
(China (Mainland))










