Product Summary
The G6L-1F-DC5V is a Low Signal Relay. It is an Extremely Thin SPST-NO Flat Relay, and is One of the Thinnest Relays in the World.
Parametrics
G6L-1F-DC5V absolute maximum ratings: (1)Rated load: 0.3 A at 125 VAC, 1 A at 24 VDC; (2)Carry current: 1 A; (3)Max. operating voltage: 125 VAC, 60 VDC; (4)Max. operating current: 1 A; (5)Min. permissible load - P level (See note): 1 mA at 5 VDC.
Features
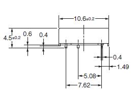
G6L-1F-DC5V features: (1)Uses 20% less mounting area and 67% less volume in comparison with the G5V-1 relay; (2)Measures just 7.0 (W) x 10.6 (L) x 4.5 (H) mm for surfacemount; (3)or 4.1 (H) for through-hole; (4)High dielectric strength: 1,000 VAC between coil and contacts; (5)and 750 VAC between contacts of the same polarity; (6)Conforms to FCC Part 68; (7)UL recognized / CSA certified; (8)RoHS Compliant - Use of lead completely eliminated.
Diagrams

![]() |
![]() G6L-1F DC12 |
![]() |
![]() RELAY TELECOM SPST 1A 12V |
![]() Data Sheet |
![]()
|
|
||||||||||||||||||
![]() |
![]() G6L-1F DC3 |
![]() |
![]() RELAY TELECOM SPST 1A 3V |
![]() Data Sheet |
![]()
|
|
||||||||||||||||||
![]() |
![]() G6L-1F DC5 |
![]() |
![]() RELAY TELECOM SPST 1A 5V |
![]() Data Sheet |
![]()
|
|
||||||||||||||||||
![]() |
![]() G6L-1F-DC12 |
![]() Omron Electronics |
![]() Low Signal Relays - PCB LO PROF SPST 12VDC |
![]() Data Sheet |
![]()
|
|
||||||||||||||||||
![]() |
![]() G6L-1F-DC24 |
![]() Omron Electronics |
![]() Low Signal Relays - PCB 1 AMP 24VDC SPST SMT |
![]() Data Sheet |
![]()
|
|
||||||||||||||||||
![]() |
![]() G6L-1F-DC3 |
![]() Omron Electronics |
![]() Low Signal Relays - PCB LO PROF SPST 3VDC |
![]() Data Sheet |
![]()
|
|
||||||||||||||||||
(China (Mainland))









